扫一扫手机购买
购物车中还没有商品,赶紧选购吧!
>
分享商品:
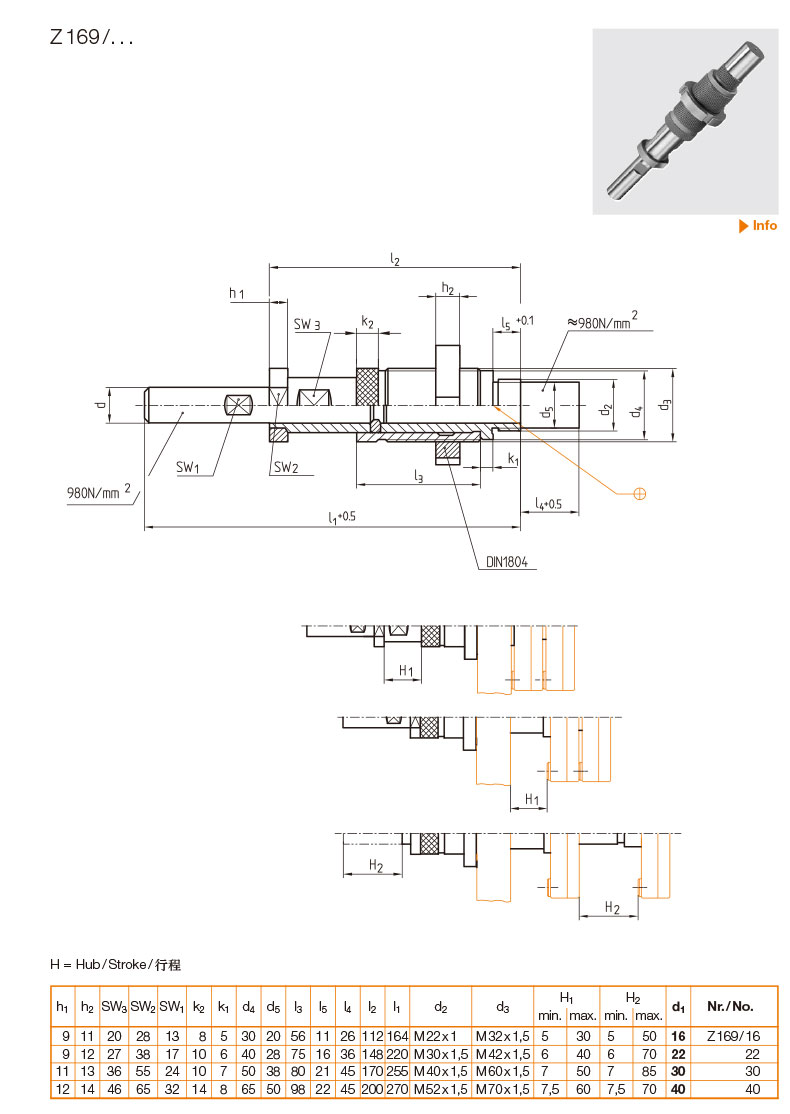
MDB-Z169/16
MDB-Z169/22
MDB-Z169/30
MDB-Z169/40
MDB221无撬模角 角平衡块 角平衡片 角平行块 角调压块...
¥34.50
MDB222 有撬模角 角平衡块 角平衡片 角平行块 角调压...
MDB223 圆形平衡块 平衡片 平行块 调压块 调整块 分...
¥5.79
三丰 带表卡尺 505
¥453.70
上工 数显外径千分尺
¥343.56
MDB-Z169欧标二次顶出机构多次顶出二次脱模装置
你好!请登录|注册